Каталог товаров
Запчасти для снегоходов
Аксессуары и комплектующие для катеров, лодок и яхт
Запчасти и комплектующие для лодочных моторов
- Главная
- Техномарин
- Электропривод стеклоочистителя W.E в корпусе, длина резьбы 50 мм, посадка М8-10, 45-50-85-105°, 24В
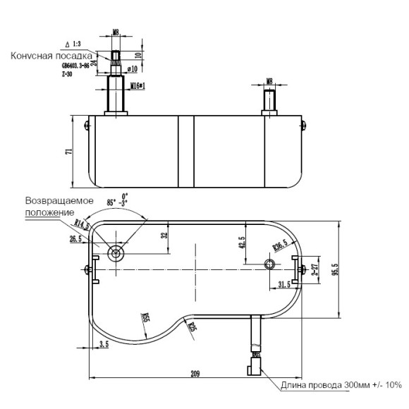
Электропривод стеклоочистителя W.E в корпусе, длина резьбы 50 мм, посадка М8-10, 45-50-85-105°, 24В
- Обзор
- Характеристики
- Отзывы0
Электропривод стеклоочистителя W.E. в корпусе предназначен для автоматического очищения лобового стекла на судах, таких как катера, яхты и лодки. Устройство оснащено двумя скоростями работы, что позволяет эффективно удалять грязь, воду и другие загрязнения с поверхности стекла.
Тип: двухскоростной;
Функциональность: автоматический возврат щетки в исходное положение;
Регулировка угла размаха поводка: 45-50-85-105°;
Рабочее напряжения 24 вольт;
Мощность 30 ватт;
Тормозной момент 25 Н·м;
Рабочий момент 5 Н·м;
Скорость холостого хода составляет 30±5 / 45±5 об/мин;
Посадка поводка: конусная с затяжкой гайкой M8.
Совместимость поводка стеклоочистителя:
S-007(B) 400-500 M8,
S-007(B) 300-400 M8,
S-006(B) 450-550 M8,
S-006(B) 350-450 M8,
S-006(B) 290-380 M8.
| Дополнительные функции | автоматический возврат щетки в исходное положение |
| Угол отклонения щетки, град | 45-50-85-105 |
| Тип привода | электрический |
| Мощность, Вт | 20 |
| Напряжение, В | 24 |
| Длина резьбы, мм | 50 |
| Бренд | W.E |




















.jpg)

.jpg)

.jpg)
.jpg)



.jpg)
.jpg)
.jpg)
.jpg)
.jpg)
.jpg)
.jpg)
.jpg)
.jpg)
.jpg)
.jpg)
.jpg)
.jpg)
.jpg)
.jpg)





























