- Главная
- Водомоторный
- Морская магнитола BOSS MGV550B
Морская магнитола BOSS MGV550B
- Обзор
- Характеристики
- Отзывы0
Описание
Влагозащищенная магнитола морского исполнения — новинка от американской компании Boss Audio, предназначена для использования на технике для активного отдыха.
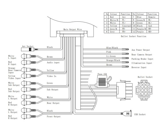
Магнитола Boss Audio MGV550B с рекордно большим для подобного типа устройств сенсорным экраном предназначена для управления различными источниками: AM/FM-тюнером, USB (воспроизведение с флешки и зарядка), Bluetooth устройствами. Переключение треков и изменение громкости происходит с помощью удобных крупных кнопок и регулятора, расположенных на корпусе.
Влагозащищенное головное устройство оборудовано встроенным усилителем с максимальной мощностью 4x60W с независимой регулировкой уровня сабвуфера и возможностью подключения дополнительных усилителей по RCA для получения большей производительности.
В модели добавлен видеовход для подключения камеры заднего вида, что может быть актуально для багги, машинок класса UTV либо можно использовать экран магнитолы как видеонаблюдение за зонами на вашем катере. Изображение с камеры можно мгновенно вывести нажатием на сенсорный экран либо на удобную кнопку вывода изображения, расположенную на корпусе. Для колесной техники изображение с камеры заднего вида может выводиться как принудительно, так и автоматически в момент включения задней передачи!
• 5" сенсорный дисплей
• Отображение тэгов файла- название песни и альбома на экране магнитолы
• Два видеовхода для подключения камеры заднего вида или другого оборудования
• Тюнер 12 AM / 18 FM (USA, EUROPE, ASIA, AUST)
• Отдельный выход для подключения активного сабвуфера
• RCA-выходы : фронт, тыл
• RCA-входы : 2шт (видео)
• AUX-вход
• USB-разъем (до 32Гб)
• Удлинитель USB в комплекте
Характеристики
Головное устройство
Модель MGV550
Рабочее напряжение, DC12 В
Количество каналов 4
Мощность выходная, 4 Ом 4х 60 Вт
Сопротивление 4 Ом
Диапазон частот 20 Гц - 20 кГц
Дисплей 5"
Цвет черный
Предохранитель (рекомендуемый) 15 А
CD-плеер нет
Слот для карты памяти нет
USB разъём есть +
Форматы воспроизведения MP3/WMA
AUX вход есть
AUX выход есть
Видео вход есть
Bluetooth есть
Стандарт Bluetooth A2DP
Микрофон нет
Сеть NMEA 2000 нет
AM/FM радио есть
Диапазон FM 87.5 – 108.0 МГц
Диапазон AM 530 - 1710 кГц
Пульт д/у нет
Степень защиты IP X6
Съемная панель нет
Диапазон рабочих температур от - 20 до + 60 С°
Монтажный вырез Ø 90 мм
Размеры и вес
Вес 1000 г
Информация о производителе
Бренд Boss Audio
Производитель Boss Audio Systems
Страна производителя США
Страна производства Китай
| Пульт д/у | нет |
| Артикул производителя | 00180602 |
| Бренд | Boss Audio |
| Страна производства | Китай |
| Цвет | Черный |
| Модель | MGV550 |
| AM/FM радио | есть |
| Артикул | 00180602 |
| AUX вход | есть |
| AUX выход | есть |
| Баркод | MGV550B |
| Bluetooth | есть |
| CD-плеер | нет |
| Диапазон AM | 522 - 1710 |
| Диапазон частот | 20 Гц - 20 |
| Диапазон FM | 87.5 - 108 |
| Диапазон рабочих температур | - 20 °С + 60 |
| Дисплей | 5" |
| Форматы воспроизведения | MP3/WMA |
| Глубина выреза | 76 |
| Количество выходных каналов | 4 |
| Микрофон | нет |
| Монтажный вырез | Ø 90, 90 |
| Мощность максимальная, Ом | 4х60 |
| Предохранитель (рекомендуемый) | 15 |
| Производитель | Boss Audio Systems |
| Рабочее напряжение, DC | 12 |
| Размеры, мм | 197х140х100 |
| Размеры устройства | 140х197 |
| Съемная панель | нет |
| Сеть NMEA 2000 | нет |
| Слот для карты памяти | нет |
| Сопротивление | 4 |
| Стандарт Bluetooth | A2DP |
| Степень защиты IP | X6 |
| Страна производителя | США |
| USB разъём | есть |
| Вес | 1000 |
| Видеоплеер | нет |
| Видео вход | есть |
Морская магнитола BOSS MGV550B отзывы
Категории:Головные устройства



.jpg)


.jpg)

.jpg)

.jpg)
.jpg)



.jpg)
.jpg)
.jpg)
.jpg)
.jpg)
.jpg)
.jpg)
.jpg)
.jpg)
.jpg)
.jpg)
.jpg)
.jpg)
.jpg)






































































