Каталог товаров
Запчасти и комплектующие для лодочных моторов
Аксессуары и комплектующие для катеров, лодок и яхт
Запчасти для снегоходов
- Обзор
- Характеристики
- Отзывы0
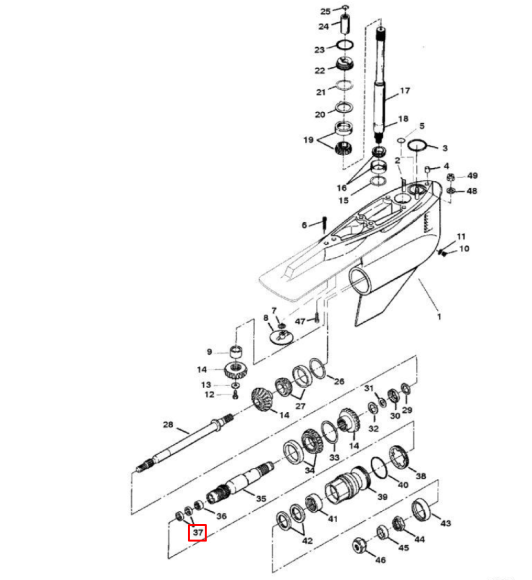
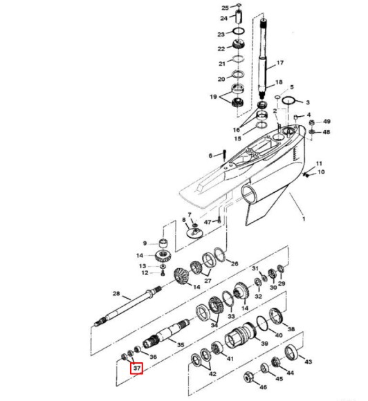
Наименование: Сальник редуктора MERCRUISER - BRAVO I/II/III
Для моторов: MERCRUISER - BRAVO I/II/III
OEM номера: 26-8M0033407; 805077; 861695; 8M0033407
Производитель: Mercury
| Артикул производителя | 8M0033407 |
| Бренд | Mercury |
Сальник редуктора MERCRUISER - BRAVO I/II/III (Mercury) QS отзывы
Категории:Сальники
Рекомендуем посмотреть Сравнить все
В наличии
В наличии
В наличии



.jpg)


.jpg)

.jpg)

.jpg)
.jpg)



.jpg)
.jpg)
.jpg)
.jpg)
.jpg)
.jpg)
.jpg)
.jpg)
.jpg)
.jpg)
.jpg)
.jpg)
.jpg)
.jpg)


















































