- Главная
- Водомоторный
- Лебедка якорная DW700, 12 В, для судов от 4.5 до 6 м, барабанная
Лебедка якорная DW700, 12 В, для судов от 4.5 до 6 м, барабанная
- Обзор
- Характеристики
- Отзывы0
Описание
Лебедка с барабаном открытого и закрытого монтажа.
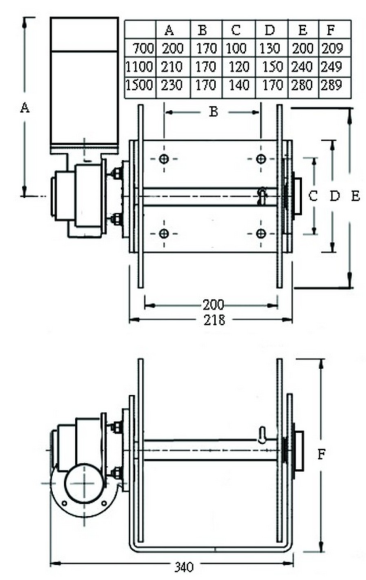
Диаметр барабана 200 мм, для веревки диаметром 6 мм, вместимость 70 метров.
Характеристики
Для судов длиной до 6 м
Рабочее напряжение, DC 12 В
Предохранитель (рекомендуемый) 50 А
Мощность мотора 700 Вт
Вращение барабана 47-6.6* м/мин
Свободный сброс нет
Рабочая нагрузка 180** кг
Предельная нагрузка 1280** кг
Материал нержавеющая сталь
Веc 11 кг
Перечень комплекта
Лебедка DW700.
Кнопка управления (ON)-OFF-(ON) силовая 200А, без фиксации режима.
Автоматический предохранитель.
Крепежные нержавеющие винты.
Примечание
* Скорость вращение барабана меняется в зависимости от наполнения.
** Рабочая нагрузка меняется в зависимости от наполнения барабана.
Информация о производителе
Бренд South Pacific
Производитель South Pacifc
| Артикул производителя | 00173219 |
| Бренд | South Pacific |
| Страна производства | Тайвань |
| Материал | Нержавеющая сталь |
| alias002 | нержавеющая сталь |
| Артикул | 00173219 |
| Баркод | DW700 |
| Для судов длиной до | 6 |
| Мощность мотора | 700 |
| Перечень комплекта | Лебедка DW700. Кнопка управления (ON)-OFF-(ON) силовая 200А, без фиксации режима. Автоматический предохранитель. Крепежные нержавеющие винты. |
| Предельная нагрузка | 1280** |
| Предохранитель (рекомендуемый) | 50 |
| Примечание | * Скорость вращение барабана меняется в зависимости от наполнения. ** Рабочая нагрузка меняется в зависимости от наполнения барабана. |
| Производитель | South Pacific |
| Рабочая нагрузка | 180** |
| Рабочее напряжение, DC | 12 |
| Страна производителя | Тайвань |
| Свободный сброс | нет |
| Веc | 11 |
| Вращение барабана | 47-6.6* |
Лебедка якорная DW700, 12 В, для судов от 4.5 до 6 м, барабанная отзывы
Сопутствующие файлы
- Размеры.jpg 135.21 KBytes
- DW_series_user_manual.pdf 0.92 MBytes
- 2 DW_series_user_manual(RUS).pdf 1.40 MBytes
Категории:Барабанные лебедки



.jpg)

.jpg)

.jpg)
.jpg)



.jpg)
.jpg)
.jpg)
.jpg)
.jpg)
.jpg)
.jpg)
.jpg)
.jpg)
.jpg)
.jpg)
.jpg)
.jpg)
.jpg)
.jpg)

























































