- Главная
- Водомоторный
- Морская магнитола MRH-335, Zone Control, Marine Rocket
Морская магнитола MRH-335, Zone Control, Marine Rocket
- Обзор
- Характеристики
- Отзывы0
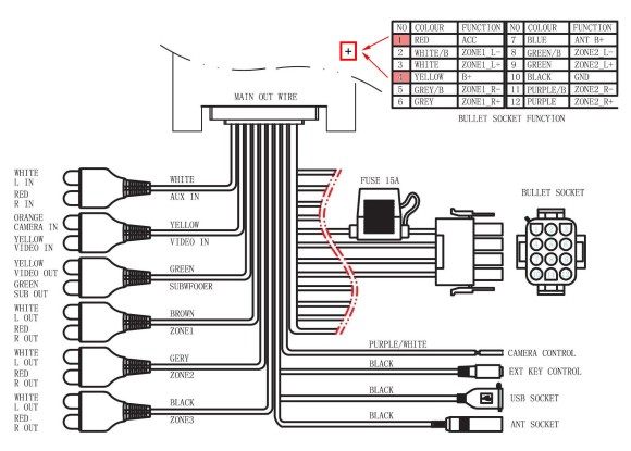
Описание
Морская аудиосистема MRH335 Marine Rocket с цветным LCD-дисплеем диагональю 3.5” (8.9 см).
Эта цифровая мультимедийная аудиосистема с цветным дисплеем 3,5”, созданная специально для использования в морской среде, — отличный выбор для установки на катере, яхте или квадроцикле. Влагозащищённое исполнение IPX6 позволит не расставаться с любимой музыкой всюду, где бы вы ни находились.
Возможности аудиосистемы MRH335 Marine Rocket:
• Полноценный четырёхканальный усилитель с максимальной выходной мощностью 180 Вт (45 Вт на 4 канала).
• Zone Control: зональный аудиоконтроль позволит регулировать уровень громкости звука отдельно для каждой из трёх зон.
• Встроенный модуль Bluetooth A2DP воспроизводит потоковое аудио со смартфона.
• Разъём USB — подсоединяйте любые носители файлов MP3 или WMA, заряжайте смартфон.
• Дополнительный порт AUX предназначен для подключения иных накопителей или гаджетов.
• Возможностей встроенного плеера MP5 хватит, чтобы у вас не возникло проблем с воспроизведением видеофайлов. Видеовход и выход позволят подключить камеру заднего вида либо передать изображение на внешний монитор.
• Радио-тюнер в диапазонах AM/FM: устройство уверенно примет сигнал, и вы не расстанетесь с новинками музыкальных радиостанций даже в дальних путешествиях.
Характеристики
Головное устройство
Модель MRH-335
Рабочее напряжение, DC 12 В
Количество каналов 4
Мощность выходная, 4 Ом 4х45 Вт
Сопротивление 4 Ом
Дисплей 3.5"
Предохранитель (рекомендуемый) 15 А
CD-плеер нет
Слот для карты памяти нет
USB разъём есть +
Форматы воспроизведения MP3, WMA
AUX вход есть
AUX выход есть
Видео вход есть
Bluetooth есть
Стандарт Bluetooth A2DP
Микрофон нет
Сеть NMEA 2000 нет
AM/FM радио есть
Диапазон FM 87.5 - 108 МГц
Диапазон AM 522 - 1710 кГц
Пульт д/у нет
Степень защиты IP Х6
Съемная панель нет
Размеры устройства 108х115 мм
Монтажный вырез Ø 76 мм
Глубина выреза 126 мм
Размеры и вес
Вес 1200 г
Информация о производителе
Бренд Marine Rocket
Страна производства Китай
| Пульт д/у | нет |
| Артикул производителя | 00185790 |
| Бренд | Marine Rocket |
| Страна производства | Китай |
| Цвет | Черный |
| Модель | MRH335 |
| AM/FM радио | есть |
| Артикул | 00185790 |
| Аудиозоны | 3 |
| AUX вход | есть |
| AUX выход | есть |
| Баркод | MRH335 |
| Bluetooth | есть |
| CD-плеер | нет |
| Диапазон AM | 522 - 1710 |
| Диапазон FM | 87.5 - 108 |
| Дисплей | 3" |
| Форматы воспроизведения | WAV, MP3, WMA / AVI, MKV, WMV |
| Глубина выреза | 126 |
| Количество выходных каналов | 4 |
| Микрофон | нет |
| Монтажный вырез | Ø 76 |
| Мощность максимальная, Ом | 4х45 |
| Предохранитель (рекомендуемый) | 15 |
| Рабочее напряжение, DC | 12 |
| Размеры устройства | 108х115 |
| Съемная панель | нет |
| Сеть NMEA 2000 | нет |
| Слот для карты памяти | нет |
| Сопротивление | 4 |
| Стандарт Bluetooth | A2DP |
| Степень защиты IP | Х6 |
| USB разъём | есть |
| Вес | 1200 |
| Видеоплеер | есть |
| Видео вход | есть |
Морская магнитола MRH-335, Zone Control, Marine Rocket отзывы
Категории:Головные устройства



.jpg)


.jpg)

.jpg)

.jpg)
.jpg)



.jpg)
.jpg)
.jpg)
.jpg)
.jpg)
.jpg)
.jpg)
.jpg)
.jpg)
.jpg)
.jpg)
.jpg)
.jpg)
.jpg)

























































