Каталог товаров
Запчасти и комплектующие для лодочных моторов
Аксессуары и комплектующие для катеров, лодок и яхт
Запчасти для снегоходов
- Главная
- Водомоторный
- Насос для системы гидравлического управления NHP070, Sea First
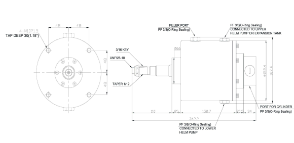
Насос для системы гидравлического управления NHP070, Sea First
- Обзор
- Характеристики
- Отзывы0
Характеристики
Модель гидронасоса NHP070 Dell
Производительность насоса 70 см³
Размеры
Диаметр резьбы в насосе 3/8"
Диаметр фитинга под шланг 3/8"
Информация о производителе
Бренд Sea First
Производитель Sea First
Страна Корея
| Артикул производителя | 00174198 |
| Бренд | Sea First |
| Артикул | 00174198 |
| Баркод | NHP070 |
| Диаметр фитинга под шланг | 3/8" |
| Диаметр резьбы в насосе | 3/8" |
| Кол-во в зав.упаковке | 1 |
| Модель гидронасоса | NHP070 |
| Отличительные особенности | Рулевой насос с запорным клапаном, который исключает обратную связь и фиксирует подвесной мотор в заданном положении. Три опорных подшипника, что позволяет использовать в тяжелых условиях эксплантации. Вал рулевого колеса из нержавеющей стали (AISI 304). |
| Производитель | Sea First |
| Производительность насоса | 70 |
| Страна | Корея |
Насос для системы гидравлического управления NHP070, Sea First отзывы
Категории:Помпы (гидронасосы)
Рекомендуем посмотреть Сравнить все
В наличии
В наличии
В наличии



.jpg)


.jpg)

.jpg)

.jpg)
.jpg)



.jpg)
.jpg)
.jpg)
.jpg)
.jpg)
.jpg)
.jpg)
.jpg)
.jpg)
.jpg)
.jpg)
.jpg)
.jpg)
.jpg)


















































