- Главная
- Водомоторный
- Тройник леера 7/8"(22,2 мм), 90 град
Тройник леера 7/8"(22,2 мм), 90 град
- Обзор
- Характеристики
- Отзывы0
Описание
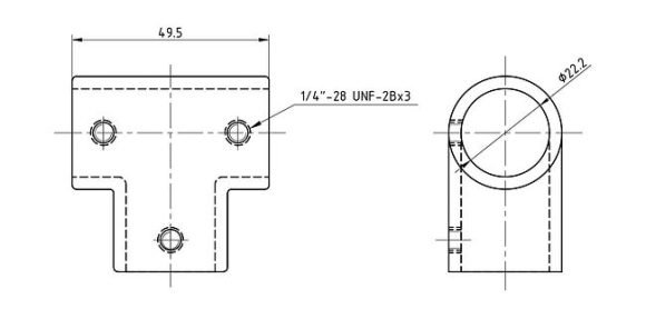
Тройник леера 7/8"(22,2 мм), 90 град.
Тройник леера является частью леерного ограждения и позволяет сконструировать его необходимой конфигурации без применения сварки,
Угол между осями равен 90°
Характеристики
Для трубы 22 мм
Угол 90 ˚
Материал нержавеющая сталь
Марка стали ASTM CF8M / 316SS
Ключ шестигранник 1/8"
Информация о производителе
Бренд Kofuku
Производитель Kofuku
Страна производителя Тайвань
Информация
Химический состав и свойства нержавеющей стали
Степень коррозионной стойкости сплава можно определить содержанию основных элементов сплава - хрома и никеля.
Если содержание хрома в сплаве больше 12% - это уже нержавеющий металл в обычных условиях и в слабоагрессивных средах.
При содержании хрома более 17% в сплаве, это коррозионностойкий сплав в агрессивных средах (например, в 50% концентрированной азотной кислоте).
В зоне контакта хромсодержащего сплава с агрессивной средой образуется защитная оксидная плёнка, которая защищает сплав от воздействия окружающей среды.
Коррозионная стойкость нержавеющей стали проявляется именно из-за наличия защитной плёнки.
Кроме того, большое значение имеют такие характеристики: однородность металла, состояние поверхности, отсутствие склонности межкристаллической коррозии.
Виды нержавеющей стали
Н/ж сталь бывает магнитной (ферритный класс) или немагнитной (аустенитный класс).
Магнитные свойства не влияют на эксплуатационные характеристики нержавеющей стали, в частности на коррозионную стойкость.
Различие магнитных свойств - это следствие различия внутренней структуры сталей, которая напрямую зависит от химического состава нержавейки.
Изделия из аустенитных нержавеющих сталей при нормальных условиях - немагнитные, но после холодного деформирования (любой мехобработки) могут проявлять некоторые магнитные свойства (часть аустенита превращается в феррит). Каждый материал характеризуется способностью намагничиваться, это применимо и к нержавеющим сталям.
В сегодняшнее время одними из самых потребляемых зарубежных марок стали в СНГ являются AISI 304
(аналог 08Х18Н10) и AISI 430 (улучшенный аналог стали 08Х17) Сталь AISI 304 является немагнитной аустенитный класс), AISI 430 – магнитной (ферритный класс).
| Артикул производителя | 00017464 |
| Бренд | Kofuku |
| Материал | нержавеющая сталь |
| Артикул | 00017464 |
| Баркод | 66043_Kof |
| Для трубы | 22 |
| Информация | Химический состав и свойства нержавеющей стали Степень коррозионной стойкости сплава можно определить содержанию основных элементов сплава - хрома и никеля. Если содержание хрома в сплаве больше 12% - это уже нержавеющий металл в обычных условиях и в сл |
| Ключ | шестигранник 1/8" |
| Кол-во в упаковке | 1 |
| Кол-во в зав.упаковке | 100 |
| Марка стали | ASTM CF8M / 316SS |
| Производитель | Kofuku |
| Страна производителя | Тайвань |
| Угол | 90 |
| Вес | 170 |
Тройник леера 7/8"(22,2 мм), 90 град отзывы
Категории:Тройники



.jpg)


.jpg)

.jpg)

.jpg)
.jpg)



.jpg)
.jpg)
.jpg)
.jpg)
.jpg)
.jpg)
.jpg)
.jpg)
.jpg)
.jpg)
.jpg)
.jpg)
.jpg)
.jpg)
















































