Каталог товаров
Аксессуары и комплектующие для катеров, лодок и яхт
Запчасти и комплектующие для лодочных моторов
Запчасти для снегоходов
- Главная
- Техномарин
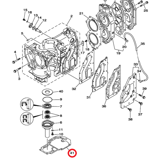
- Прокладка дейдвуда Yamaha 61T-45113-A0
Прокладка дейдвуда Yamaha 61T-45113-A0
- Обзор
- Характеристики
- Отзывы0
Прокладка под блок для лодочного мотора Yamaha 25-30 (1993-2010)
Так-же подходит для китайских аналогов Yamaha
OEM: 61T-45113-A0-00, 61T45113A000, 61T-45113-A0, 61T45113A0, 61T 45113 A0
| Бренд | YAMAHA |



.jpg)

.jpg)

.jpg)
.jpg)



.jpg)
.jpg)
.jpg)
.jpg)
.jpg)
.jpg)
.jpg)
.jpg)
.jpg)
.jpg)
.jpg)
.jpg)
.jpg)
.jpg)
.jpg)

















































